韓國瑞巖搖擺球鎖動力卡盤(SM-CBL)系列
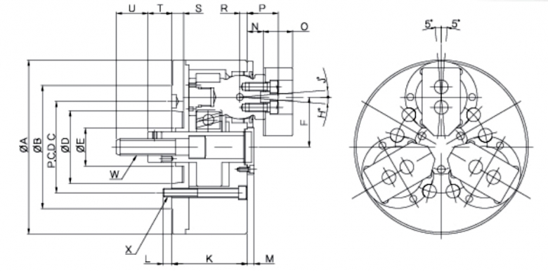
韓國瑞巖SEOAM搖擺球鎖卡盤(SM-CBL)是一款浮動式動力卡盤, 后拉設計,適合夾持圓棒類鍛件、鑄件等工件。產品特點:1、用于夾緊鍛件、鑄件,并且夾緊力強。2、可以夾緊工件的10度傾斜面,具有卡爪可自動左右轉動 5o的功能。3、具有有加
韓國瑞巖SEOAM搖擺球鎖卡盤(SM-CBL)是一款浮動式動力卡盤, 后拉設計,適合夾持圓棒類鍛件、鑄件等工件。
產品特點:
1、用于夾緊鍛件、鑄件,并且夾緊力強。
2、可以夾緊工件的10度傾斜面,具有卡爪可自動左右轉動 5o的功能。
3、具有有加工軸的特殊類型的補償式卡盤和同樣結構的2爪卡盤。




